Uued tooted
MULTIPLIKAATOR GR.3 - 1:3 - ISANE LIITMIK (SISEND) / ISANE LIITMIK (VÄLJUND)
| Tehniline info | |
| Tarnija: | Hiina |
| Tagastamine või vahetamine: | 14 päeva |
| Garantii: | 6 kuud |
| Ülekande suhe: | 1:3 |
| Hüdraulpumba jaoks: | GR. 3 |
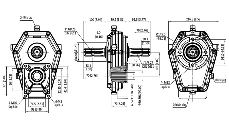
| Ühendus: | PTO võll mõlemal pool - 1" 3/8 – 6 liigendit (mees) |
| Sisendsagedus: | 540 p/min |
| Sisendpöördemoment: | 49 daNm |
| Väljundsagedus: | 1620 p/min (max 3000 p/min) |
| Väljundpöördemoment: | 16 daNm |
| Koormus: | kuni 20 kW |
| Toote kaal: | 8,3 kg |
| Hammasrataste määrdeaine: | SAE 90 õli |
MÕÕTMED

KASUTUSJUHISED
1. Eesmärk
Käigukast on mehaaniline ülekandesüsteem, mis suurendab väljundvõlli pöörlemiskiirust ning võimaldab traktoril PTO võlli kaudu hüdraulilise hammasrattapumba tööd.
Seda kasutatakse käivitamiseks:
- hüdraulikatooteseadmed,
- metsandusvintsid,
- puulõhkujad,
- muud hüdraulikaseadmed.
2. Paigaldusasend
Käigukast tuleb paigaldada õiges tööasendis, et tagada hammasrataste nõuetekohane määrimine. Soovitatav on horisontaalne paigaldus, seega peaks pump ja käigukast olema horisontaalselt joondatud.
Tähtis:
- käigukast peab alati olema paigaldatud nii, et õli korpuses puutub kokku hammasülekandega,
- pikaajaline töö ümberpööratud asendis ei ole lubatud,
- käigukast peab olema mehaaniliselt toetatud (see ei tohi rippuda ainult PTO võllil).
3. Pöörlemissuund
Enne paigaldamist kontrolli PTO võlli pöörlemissuunda ja vajaliku hüdraulpumba pöörlemissuunda.
Vale pöörlemissuund võib põhjustada pumba kahjustusi, tihendite rikkeid ning õli voolamise halvenemist.
4. Õlimäärimine
Käigukast peab korpuses pidevalt õliga määrima, et tagada hammasrataste nõuetekohane töö. Soovitatav määrdeaine on SAE 90 hammasõli.
Käigukast tuleb täita õliga kuni kontrolltasemeni.
Enne esimest kasutuskorda eemalda täitemutter, täida seade õliga kuni tasememärgini ja sulge mutter.
Enne igat kasutuskorda kontrolli õlitaset. Esimene õli vahetus soovitatakse pärast 50 tööd-tundi, seejärel iga 1500 töö-tunni järel või kord aastas.
5. Töötemperatuur
Käigukasti korpuse normaalne töötemperatuur on 50 kuni 80°C. Kui see ületab 90°C, kontrolli õlitaset, koormust ja joondust.
6. Hooldus ja võimalikud probleemid
| Probleem | Võimalik põhjus | Lahendus |
| Ülekuumenemine | Ebapiisav õlitasem | Kontrolli õlitaset |
| Müra | Kulunud laagrid | Hooldus |
| Vibratsioonid | Vale joondus | Kontrolli paigaldust |
| Õlileke | Katkine tihend | Vaheta tihend |









