New Products
GEARBOX-MULTIPLICATOR GR.3 - 1:3 - MALE COUPLING (IN) / MALE COUPLING (OUT)
| Technical information | |
| Supplier: | China |
| Return or exchange: | 14 days |
| Warranty: | 6 months |
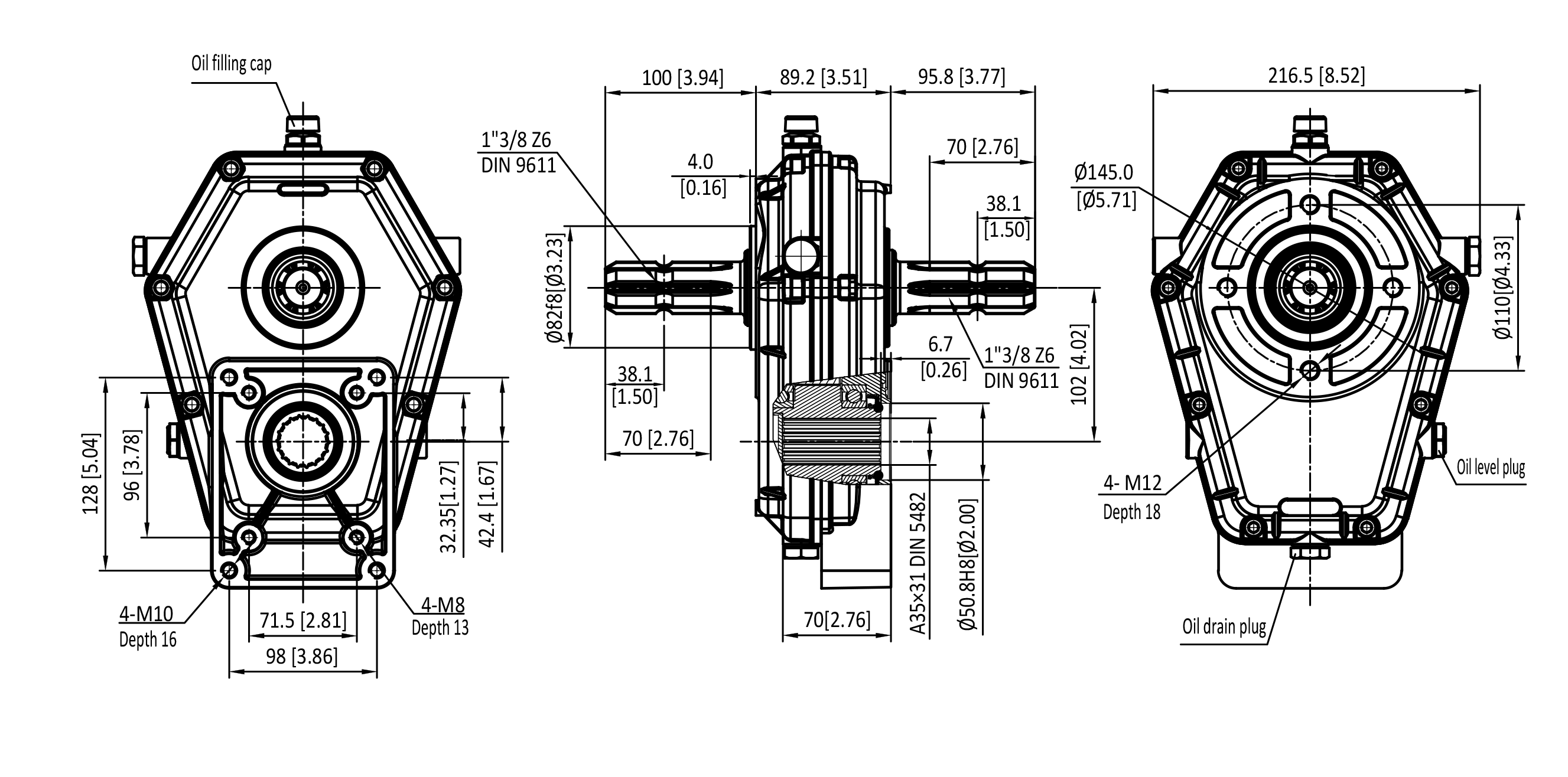
| Gear ratio: | 1:3 |
| For hydraulic pumps: | GR. 3 |
| Connection: | PTO shaft on both sides - 1" 3/8 – 6 spline (male) |
| Input speed: | 540 rpm |
| Input torque: | 49 daNm |
| Output speed: | 1620 rpm (max. 3000 rpm) |
| Output torque: | 16 daNm |
| Load: | up to 20 kW |
| Product weight: | 8,3 kg |
| Gear lubricant: | SAE 90 oil |
DIMENSIONS

INSTRUCTIONS FOR USE
1. Intended use
The gearbox is a mechanical transmission that increases the rotational speed of the output shaft and enables the operation of a hydraulic gear pump via the tractor PTO shaft.
It is used for driving:
- hydraulic power units,
- forestry winches,
- wood splitters,
- other hydraulic equipment.
2. Installation position
The gearbox must be installed in the correct operating position to ensure proper lubrication of the gears. A horizontal installation is recommended, so the pump and gearbox should be aligned horizontally.
Important:
- the gearbox must always be installed so that the oil inside the housing is in contact with the gear transmission,
- long-term operation in an inverted position is not allowed,
- the gearbox must be mechanically supported (it must not hang only on the PTO shaft).
3. Direction of rotation
Before installation, check the direction of rotation of the PTO shaft and the required direction of rotation of the hydraulic pump.
Incorrect rotation direction may cause pump damage, seal failure, and poor oil flow.
4. Oil lubrication
The gearbox must be continuously lubricated with oil inside the housing to ensure proper operation of the gears. The recommended lubricant is gear oil SAE 90.
The gearbox must be filled with oil up to the control level.
Before first use, remove the filling plug, fill the unit with oil up to the level mark and close the plug.
Before each use, check the oil level. The first oil change is recommended after 50 operating hours, and afterwards every 1500 operating hours or once per year.
5. Operating temperature
The gearbox housing's normal operating temperature is between 50 and 80°C. If it exceeds 90°C, check the oil level, load and alignment.
6. Maintenance and possible issues
| Problem | Possible cause | Solution |
| Overheating | Insufficient oil level | Check oil level |
| Noise | Worn bearings | Service |
| Vibrations | Incorrect alignment | Check installation |
| Oil leakage | Damaged seal | Replace seal |









