Jauni produkti
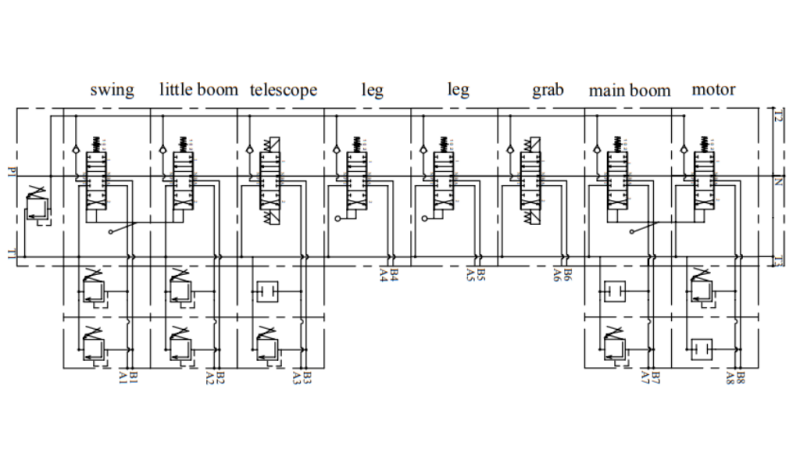
HIDRAULISKAIS VĀRSTS HIAB 8XPC70 + 2X JOYSTICK - ELEKTRISKĀ KONTROLE 12V

Vispārējais apraksts:
Rokas vai mehāniskais hidrauliskais vārsts РC70 ir paredzēts darba plūsmas sadalei un kontrolei starp hidraulisko sūkni un hidrauliskajiem cilindra.
Hidrauliskais vārsts tiek izmantots mežsaimniecības piekabēm – (HIAB).
Salikts 8 segmentu blokā.
Darbošanās:
Visi hidrauliskie vārsti ir aprīkoti ar drošības vārstu. Neitrālajā pozīcijā (sviras vidū) eļļa cirkulē caur vārstu. Kad sviru pārvieto uz vienu vai otru pusi, hidrauliskais vārsts izraisa cilindra kustību vai hidrauliskā motora griešanos vienā vai otrā virzienā. Atbrīvojot sviru, tā automātiski atgriežas neitrālajā pozīcijā, hidrauliskais motors vai cilindrs apstājas pašreizējā pozīcijā, un eļļa atkal cirkulē caur vārstu. Ir iespējams izmantot tā saukto 'slēgto centru' elementu, kas maina vārstu tā, lai neitrālajā pozīcijā eļļa necirculētu caur vārstu vai šāds vārsts vairs nebūtu plūstošs. Izmantojot vai pieslēdzot citus vārstus, ir nepieciešams izmantot 'pārvadāšanas' elementu, kas ļauj eļļas piegādi citiem vārstiem.
Vārstiem ar spindelēm peldošai funkcijai tas ļauj cilindram brīvu eļļas plūsmu, kas attiecīgi nozīmē, ka cilindrs pārvietojas brīvi (vai sniega lāpsta pielāgojas reljefam).
Vārsti ar spindelēm vienpusējiem cilindriem ir paredzēti vienpusējiem cilindriem.
Būve:
РC70 ir monobloka sadales vārsts. Tas izgatavots no čuguna EN-GJL300. Spindeles izgatavotas no oglekļa tērauda un ir cieti hromētas.
Savienojumi:
Spindele ir pievilkta ar divām M10 skrūvēm.








