Produits nouveaux
VANNE PROPORTIONNELLE POUR CHARGEUR FRONTAL DE TRACTEUR - LOAD SENSING LVM92 EHP
| Informations techniques | |
|
Fournisseur : |
Türkiye |
|
Retour ou échange : |
14 jours |
|
Garantie : |
6 mois |
|
Type : |
RÉGULATION DE CHARGE (LOAD SENSING) |
|
Pression de fonctionnement : |
250 bar |
|
Débit nominal : |
90 l/min |
|
Filetage de connexion : |
1/2" |
|
Nombre de sections : |
2 |
Description
Le LVM92-EHP est une valve monobloc conçue pour les chargeurs frontaux, offrant d'excellentes caractéristiques de fonctionnement proportionnel et une installation facile, avec des débits allant jusqu'à 90 l/min et des pressions de fonctionnement jusqu'à 250 bar.
La valve offre un contrôle entièrement électroproportionnel, incluant la fonction flottante, indépendamment de la charge de la machine et des conditions de fonctionnement.
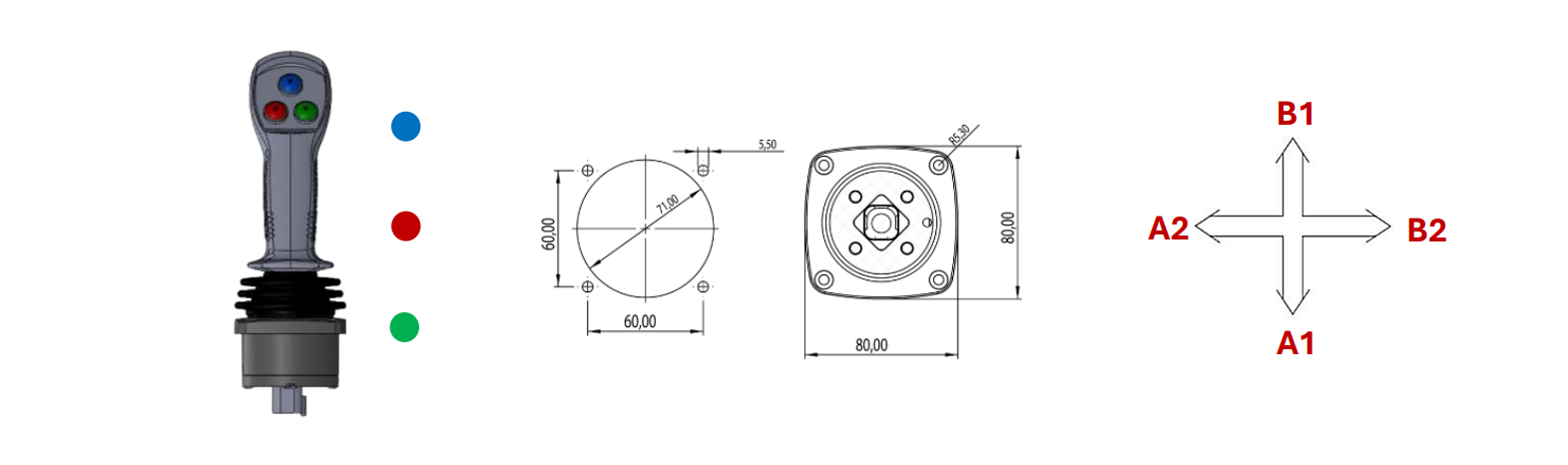
Le kit comprend la valve, un joystick de commande proportionnelle et le câblage électrique.
La fonction Load Sensing offre un contrôle proportionnel encore plus précis et une meilleure efficacité du système.
Application

Pour un fonctionnement correct du système, suivez attentivement toutes les étapes ci-dessous :
- Effectuez la connexion comme indiqué ci-dessus.
- Assurez-vous que l'accumulateur hydraulique est correctement connecté.
- Vérifiez que la pression d'entrée ne dépasse pas 250 bar.
- Assurez-vous que le débit nominal d'entrée est de 90 l/min.
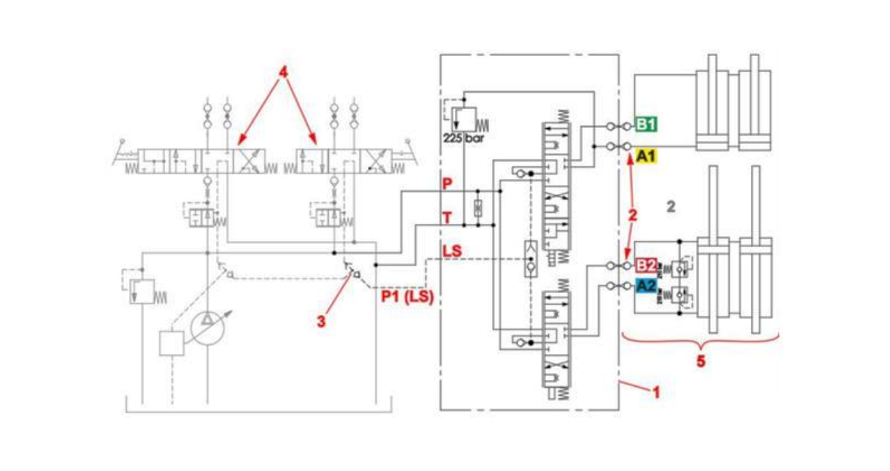
- Vérifiez que les connexions sur les ports B1, A1, A2 et B2 sont correctement effectuées.
- Assurez-vous que la ligne de retour ou de fuite est correctement connectée.
- Vérifiez que les lignes T (réservoir) et P (pression) sont connectées et fonctionnent correctement.



Le schéma montre un système hydraulique avec LOAD SENSING :
1. Valve proportionnelle (LVM92 EHP) sur le côté droit de l'interface d'attelage.
2. Interface pour le chargeur frontal du tracteur.
3. Valve navette supplémentaire pour la fonction Load Sensing.
4. Les valves hydrauliques déjà installées sur le tracteur peuvent être utilisées pour d'autres consommateurs.
5. Chargeur frontal du tracteur.
Trois lignes hydrauliques (P, T, P1) relient la valve proportionnelle LOAD SENSING au système hydraulique du tracteur :
- P – ligne de pression
- T – ligne de retour (réservoir)
- P1 – Load Sensing (LS)

Connectez la valve comme illustré ci-dessus :
- Assurez-vous que la tension du système est de 12 V.
- Vérifiez que le câble d'alimentation est correctement connecté.
- Le système doit inclure un câble en chaîne et une résistance de 120 ohms.
- Après avoir connecté le joystick, assurez-vous que les LED ACAS s'allument en vert.
- Vérifiez que tous les câbles sont solidement et correctement connectés.

- Bouton BLEU : valve de commande directionnelle 6/2 (bouton momentanée)
- Bouton ROUGE : fonction flottante (bouton à verrouillage)
- Bouton VERT : lent/rapide (bouton à verrouillage)
Fonction flottante : Déplacez le joystick dans la direction B1 (descente). Lorsque le joystick est en position B1, appuyez sur le bouton FLOAT pour activer le mode flottant. Attention : Ne réalisez pas cette opération lorsque le chargeur frontal du tracteur est trop relevé.









