Nuevos Productos
VÁLVULA PROPORCIONAL PARA CARGADOR FRONTAL DE TRACTOR - OPEN CENTER LVM92 EHP
| Información técnica | |
|
Proveedor: |
Turquía |
|
Devolución o cambio: |
14 días |
|
Garantía: |
6 meses |
|
Tipo: |
CENTRO ABIERTO |
|
Presión de trabajo: |
250 bar |
|
Caudal nominal: |
90 l/min |
|
Rosca de conexión: |
1/2" |
|
Número de secciones: |
2 |
Descripción
LVM92-EHP es una válvula monobloque diseñada para cargadores frontales de tractores, que ofrece excelentes características de operación proporcional y fácil instalación. Cuenta con caudales de hasta 90 l/min y presiones de trabajo de hasta 250 bar.
La válvula ofrece control completamente electro-proporcional, incluyendo la función de flotación, independientemente de la carga y las condiciones de operación.
El kit incluye la válvula, un joystick de control proporcional y el cableado eléctrico.
Aplicación

Para el correcto funcionamiento del sistema, siga cuidadosamente todos los pasos a continuación:
- Realice la conexión como se muestra arriba.
- Asegúrese de que el acumulador hidráulico esté conectado correctamente.
- Verifique que la presión de entrada no supere los 250 bar.
- Asegúrese de que el caudal nominal sea de 90 l/min.
- Revise que las conexiones en los puertos B1, A1, A2 y B2 estén correctamente conectadas.
- Verifique que la línea de drenaje (fugas) esté correctamente conectada.
- Asegúrese de que las líneas T (tanque) y P (presión) estén conectadas y funcionando correctamente.

- Si tiene dos válvulas en la línea hidráulica, conecte la salida carry-over de la primera válvula a la entrada de presión de la segunda válvula.
- Si se usa solo una válvula, conecte la salida carry-over de la válvula directamente al tanque.


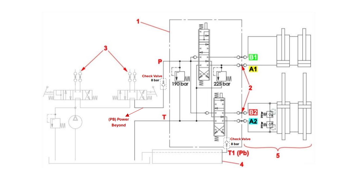
El diagrama muestra un sistema hidráulico CENTRO ABIERTO:
1. Válvula proporcional (LVM92 EHP) en el lado derecho de la interfaz del accesorio.
2. Interfaz para el cargador frontal del tractor.
3. Válvulas hidráulicas ya instaladas en el tractor que pueden usarse para otros consumidores.
4. Otras válvulas o válvulas auxiliares.
5. Cargador frontal del tractor.
Tres líneas hidráulicas (P, T1, T) conectan la válvula proporcional CENTRO ABIERTO con el sistema hidráulico del tractor:
- P – línea de presión
- T – línea de retorno (tanque)
- T1 – derivación de presión (Power Beyond – “PB”) + válvula de retención con resorte de 8 bar

Conecte la válvula como se muestra arriba:
- Asegúrese de que el voltaje del sistema sea de 12 V.
- Verifique que el cable de alimentación esté conectado correctamente.
- El sistema debe incluir un cable de cadena y una resistencia de 120 ohmios.
- Después de conectar el joystick, asegúrese de que los LEDs ACAS se enciendan en verde.
- Compruebe que todos los cables estén conectados de forma segura y correcta.

- Botón AZUL: válvula de control direccional 6/2 (botón momentáneo)
- Botón ROJO: función flotación (botón con enclavamiento)
- Botón VERDE: lento/rápido (botón con enclavamiento)
Función flotación: Mueva el joystick en dirección B1 (descenso). Mientras el joystick está en la posición B1, presione el botón de flotación (FLOAT) para activar el modo flotación. Advertencia: No realice esta operación cuando el cargador esté demasiado levantado.









