Nowe produkty
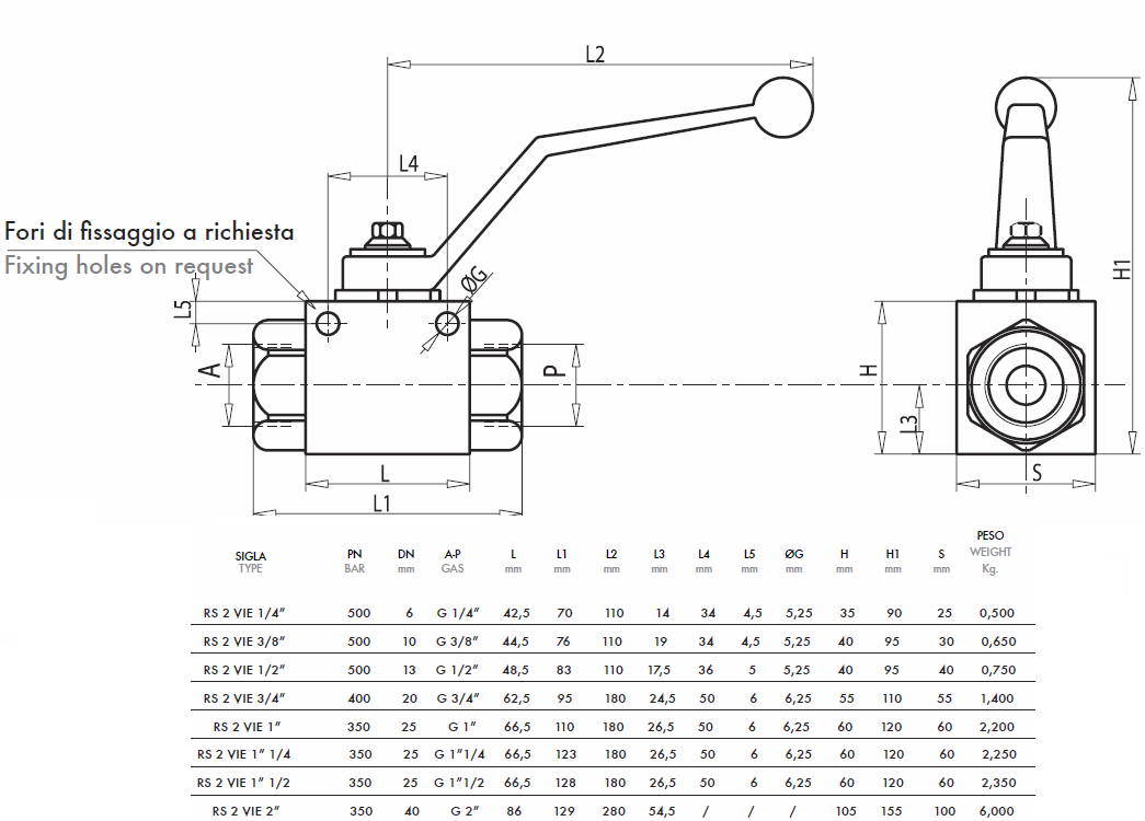
ZAWÓR HYDRAULICZNY ZAMYKACZ RS2 3/4 - 400BAR - 100 LIT
Kod produktu:
10341
OEM:
9990000002764
Stawka podatkowa
22 %
Cena bez VAT:
141,65 PLN
Cena z VAT:
172,82 PLN
Ref:
15
Zastosowanie:
Zawór jest używany do otwierania lub zamykania przepływu oleju w systemach hydraulicznych, nawet pod pełnym ciśnieniem.
Materiał:
Obudowa: metal, ocynkowana
Uszczelka: standard Buna N i uszczelki POM
Połączenie:
Podłącz 'A' i 'P' w obwodzie olejowym, gdzie chcesz zablokować lub otworzyć przepływ oleju. Przepływ oleju jest przerywany, gdy dźwignia jest pod kątem 90 stopni do zaworu i swobodny, gdy dźwignia jest równoległa do zaworu i linii olejowej.
Dostawca:
Włochy
Maksymalne ciśnienie:
400 bar
Zwrot lub wymiana:
14 dni
Waga produktu:
1.400 kg
Gwarancja:
6 miesięcy






