Novi artikli
ODGON ZA HIDRAVLIČNO ČRPALKO - MERCEDES G4
Šifra:
12863
OEM:
9990000080960
Stopnja davka
22 %
Cena brez DDV:
118,85 EUR
Cena z DDV:
145,00 EUR
Ref:
1

Informativen izračun ob nakupu na obroke
polog0,00 EUR
3 × 52,86 EUR
polog0,00 EUR
6 × 26,72 EUR
polog0,00 EUR
12 × 13,66 EUR
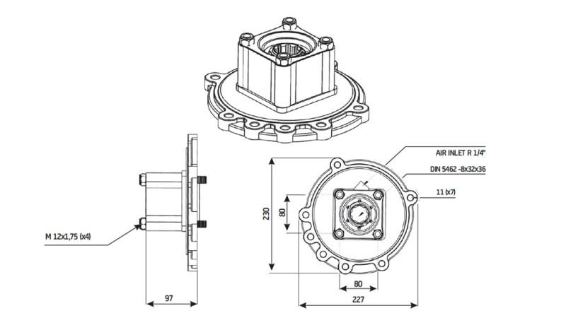
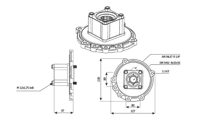
Opis:
Odgoni so primerni za tovorna vozila, kjer je potreba po namestitvi hidravlične črpalke. Možna je namestitev litoželezne črpalke tip:
ISO (črpalka za pritrditev s tremi (3) vijaki)
UNI (črpalka za pritrditev s štirimi (4) vijaki)
Ustreza za menjalnike tip:
G4-GV/ 4 65, 90, 95, 110, 125, 135, 155, 180
Primerno za vozila: Mercedes
1222-1224-1417-1419-1617-1619-1620-1722-1733-1817-1820-1821-1827-1831-1922-2232-2517- 2521-2527-3027-1424-1628-1820-1824-1929-1935-1948-2224-2222-2426-2524-2622-2629-2635 MERCEDES BENZ
Dobavitelj:
Turčija
Tip:
UNI (4 vijaki)
Vračilo ali menjava:
14 dni
Navor:
219,7 Nm
krmiljenje:
pnevmatsko
Vrtljaji:
500 vrt/min
Teža izdelka:
6 kg
Garancija:
6 mesecev
montaža :
zadaj
Obremenitev:
16 Hp (12 kW)
Razmerje prenosa:
1:1






