Nye artikler
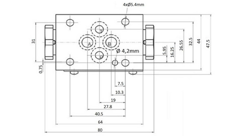
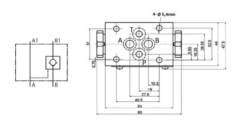
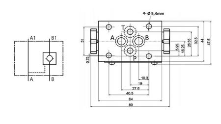
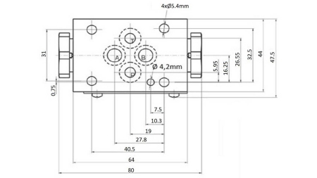
SJEKK VENTIL CETOP 3 (B)
Kode:
13110
OEM:
9990000087624
Skattesats
22 %
Pris uten MVA:
566,70 NOK
Pris med MVA:
691,38 NOK
Ref:
3
Beskrivelse:
Sjekkventilen Cetop 3 er installert mellom basen og ventilen. Den brukes for å hindre oljestrøm i motsatt retning.
(AinB): sjekkventil ved tilkobling 'A' og ved tilkobling 'B'.
(A): sjekkventil ved tilkobling 'A'.
(B): sjekkventil ved tilkobling 'B'.
Leverandør:
Spania
Åpning:
0.5 bar
Retur eller bytte:
14 dager
Produktvekt:
0.9 kg
Garanti:
6 måneder
Max. strømning:
60 l/min
max. trykk:
315 bar







