Nye artikler
PRIORITETSVENTIL 3/8 MED SKALA OG SIKKERHETSVENIL 0-30LIT, 0-200BAR
Kode:
13097
OEM:
9990000087495
Skattesats
22 %
Pris uten MVA:
1.201,69 NOK
Pris med MVA:
1.466,06 NOK
Ref:
3
Beskrivelse:
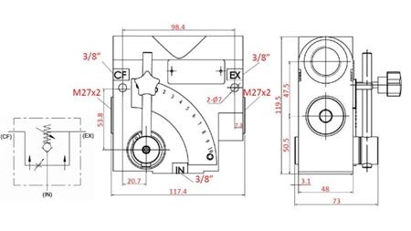
Prioritetsventilen med skala og sikkerhetsventil brukes til strømningsregulering med trykkkompensasjon, der strømmen endres i henhold til posisjonen til spaken. Ventilen er montert på en flat overflate.
CF-tilkobling (Kontrollert strøm) - Strømmen som kommer fra CF-tilkoblingen er kompensert av trykk og er proporsjonal med posisjonen til spaken. Strømmen fra CF kan justeres etter ønske.
EX-tilkobling (Overskuddsstrøm) - Strømmen som kommer fra EX-tilkoblingen er kompensert. Hvis spaken er satt til 0, vil hele strømmen gå ut gjennom EX-tilkoblingen. EX-tilkoblingen må ledes til tanken.
Leverandør:
Spania
Retur eller bytte:
14 dager
Produktvekt:
3.80 kg
Garanti:
6 måneder
maks. justerbart trykk:
0-200 bar
maks. justerbar gjennomstrømning:
0 - 30 l/min
Max. strømning:
30 l/min
max. trykk:
200 bar








