Nye artikler
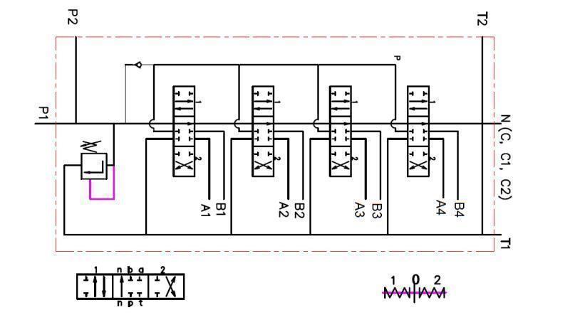
MANUELL HYDRAULISK VENTIL MONOBLOKK 4xP120
Generell beskrivelse:
Manuell eller mekanisk hydraulisk ventil Р120 er designet for distribusjon og kontroll av arbeidsstrømmen mellom hydraulikkpumpen og forbrukerne (sylindere, hydrauliske motorer…).
Hydrauliske ventiler brukes til ulike formål innen landbruk, industri, bygging osv. for å kontrollere:
- enkeltvirkende sylindere
- dobbelvirkende sylindere
- hydrauliske motorer
- flytende funksjoner (for plog)
- joysticker (opp-ned, venstre-høyre)
De er samlet i en blokk med 1 til 4 spaker.
Drift:
Alle hydrauliske ventiler er utstyrt med en sikkerhetsventil. I nøytral posisjon (spaken i midten) sirkulerer olje gjennom ventilen. Når spaken flyttes til den ene eller den andre siden, får den hydrauliske ventilen sylinderen til å bevege seg eller den hydrauliske motoren til å rotere i den ene eller den andre retningen. Etter å ha sluppet spaken, returnerer den automatisk til nøytral posisjon, den hydrauliske motoren eller sylinderen stopper i den nåværende posisjonen, og olje sirkulerer igjen gjennom ventilen. Det er mulig å bruke et såkalt 'lukket senter'-element, som endrer ventilen slik at olje ikke sirkulerer gjennom ventilen i nøytral posisjon, eller en slik ventil ikke lenger er flytende. Når man bruker eller kobler til andre ventiler, er det nødvendig å bruke 'carry over'-elementet, som tillater tilførsel av olje til andre ventiler.
For ventiler med spindler for flytende funksjon, tillater det sylinderen fri flyt av olje, noe som konsekvent betyr at sylinderen beveger seg fritt (eller snøplogen tilpasser seg terrenget).
Ventiler med spindler for enkeltvirkende sylindere er beregnet for enkeltvirkende sylindere.
Konstruksjon:
Р120 er en monoblokk distribusjonsventil. Den er laget av støpejern EN-GJL300. Spindlene er laget av karbonstål og er hardkrombelagt.
Tilkoblinger:
Tilkoblinger: Spindelen er skrudd med fire M10 skruer







