Novi artikli
KOTNI REDUKTOR ZA CIRKULAR DESNI
Šifra:
10218
OEM:
9990000001538
Stopnja davka
22 %
Cena brez DDV:
127,05 EUR
Cena z DDV:
155,00 EUR
Ref:
11

Informativen izračun ob nakupu na obroke
polog0,00 EUR
3 × 56,12 EUR
polog0,00 EUR
6 × 28,37 EUR
polog0,00 EUR
12 × 14,50 EUR
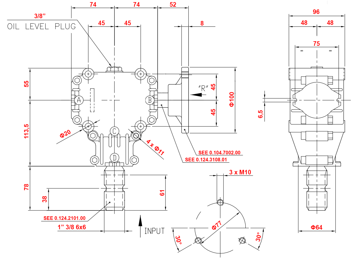
Opis:
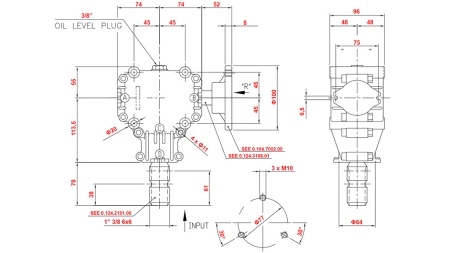
Kotni reduktor je zasnovan za prenos vrtilnega momenta pod pravim kotom in omogoča učinkovito delovanje krožnih žag (cirkularjev) ter drugih strojev, kjer je potrebno spremeniti smer pogona.

Vračilo ali menjava:
14 dni
rotacija reduktorja:
desna
koda proizvajalca:
9.124.872.60
Ohišje:
Aluminij
Teža izdelka:
5,3 kg
Vhodni vrtljaji:
540 rpm
Obremenitev:
15 HP (11 kW)
izhodna osovina:
gred s prirobnico za jermenico - 25mm
Razmerje prenosa:
1:1
tip reduktorja:
L-25J (kotni prenos)
mazalno sredstvo:
olje SAE 90 (0,4 L)
vhodna osovina:
kardanska osovina (1” 3/8 – 6 zob)
Izhodna moč:
11 kW
Izhodni navor:
19 Nm








