New Products
HYDRAULIC PROPORTIONAL TRACTOR BRAKE VALVE - OIL SYSTEM
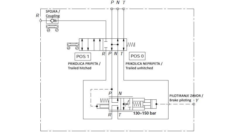
Description:
The hydraulic proportional tractor brake valve is a component through which we can synchronously brake the trailer with the tractor. The valve is installed on the tractor, which connects to the hydraulics and directional valves and the existing braking system. The brake valve is controlled directly by the brake pressure of the tractor. Without pressure in the hydraulic system Y (tractor braking system), R is connected to T (tank) and P is connected to N (flow excess).
As the flow in Y increases, the flow force activates the return spring, which closes the connection between R and T and establishes a connection between R and P. If necessary, the flow is reduced between P and N to create pressure in R.
The Load Sensing valve (LS) is installed on R. The maximum pressure on the braking system is 130 - 150 bar.
In the first phase of braking, the valve can redirect the entire flow from the pump to the trailer brakes, so the consumer at the connection N can be temporarily without oil.
Note on installation:
The proportional valve is a safety element that requires maximum attention during inspection and servicing of the valve. Do not install the valve before other safety components (e.g., steering).
Usually, the valve is installed between the pump (with constant flow or Load Sensing valve) and the control valve, in which there are no other safety components in this hydraulic circuit.










