Új termékek
HIDRAULIKUS SZIVATTYÚ 10C2X179 GR.1 - 2cc - JOBB
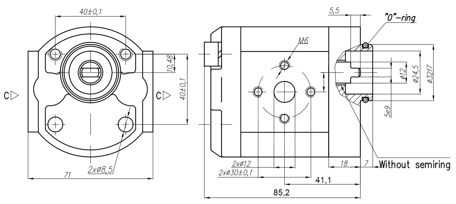
| Műszaki információk | |
| Szállító: | Törökország |
| Visszaküldés vagy csere: | Nem lehetséges |
| Garancia: | 6 hónap |
| Modell: | 10C2X179 |
| Forgásirány: | Jobb (C) |
| Űrtartalom: | 2 cm3/fordulat |
| Méret: | GR.1 |
| Fordulatszám: | max. 3500 ford/perc |
| Csatlakozó/menet: |
Beömlő (M = M16x1,5, G = G 3/8", UNF = 3/4"-16 UNF), kimenet (M = M16x1,5, G = G 3/8", UNF = 9/16"-18 UNF) |
| Névleges nyomás: | 250 bar |
| Átfolyás: | 2,82 l/perc 1500 ford/perc mellett, 6,58 l/perc max. fordulatszámnál |
Leírás
A hidraulikus szivattyúk minden hidraulikus rendszer kulcsfontosságú elemei, mivel a mechanikai energiát hidraulikus energiává alakítják. Számos alkalmazásban használatosak, például mezőgazdasági gépekben, építőipari eszközökben, ipari berendezésekben és szállító rendszerekben.
Ajánlatunkban kiváló minőségű fogaskerék hidraulikus szivattyúkat talál különböző méretekben (GR), űrtartalmakban és kivitelben, amelyek megbízható működést, hosszú élettartamot és könnyű beszerelést biztosítanak. Stabil olajáramlást, magas hatásfokot és minimális veszteségeket kínálnak, hozzájárulva a teljes rendszer optimális teljesítményéhez.
Méretek










