Nové produkty
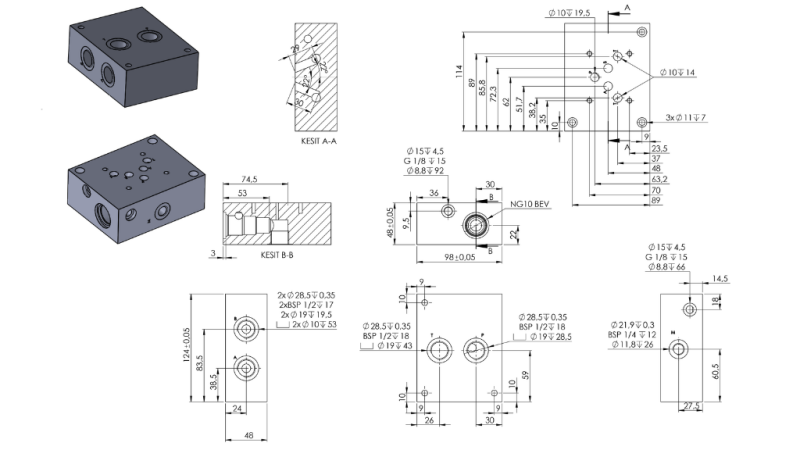
CETOP ZÁKLADNA NG10-1-RV
| Technické informace | |
|
Dodavatel: |
Turecko |
|
Vrácení nebo výměna: |
14 dní |
|
Záruka: |
6 měsíců |
|
Typ: |
NG10-1-RV |
|
Materiál: |
Hliník |
|
Tlak: |
max. 250 bar |
|
Průtok: |
max. 80 l/min |
Popis
Podložka CETOP NG10-1 je standardizovaná upevňovací deska navržená pro instalaci hydraulických ventilů velikosti NG10 (CETOP 5) podle normy ISO 4401-05. Umožňuje jednoduché, rychlé a spolehlivé připojení ventilu k hydraulickému systému.
Podložka CETOP NG10-RV je vylepšená verze standardní podložky NG10 (CETOP 5 / ISO 4401-05) s integrovaným tlakem řízeným ventilem. Je navržena pro ochranu hydraulického systému před nadměrným tlakem a zajišťuje bezpečný a spolehlivý provoz.
Integrovaný přetlakový ventil umožňuje omezení tlaku přímo na podložce, což snižuje potřebu dalších komponent, zjednodušuje instalaci a poskytuje kompaktnější design systému.
Rozměry









